91 Honda Civic Radio Wiring Diagram Colors / Wiring Diagrams Honda Tech Honda Forum Discussion : Our car wiring diagram tells you what every wire in.
Get link
Facebook
X
Pinterest
Email
Other Apps
91 Honda Civic Radio Wiring Diagram Colors / Wiring Diagrams Honda Tech Honda Forum Discussion : Our car wiring diagram tells you what every wire in.. Our car wiring diagram tells you what every wire in. Dose anyone have the factory radio harness diagram with the color wires to fix factory harness and use the radio aftermarket harness? You need honda civic radio code for your locked honda car radio device? Always verify all wires, wire colors and diagrams before applying any information found here to your 1991 honda civic. 1998 honda civic stereo wiring color codes :
Our car wiring diagram tells you what every wire in. The radio code for a 2003 honda civic is available through dealerships or in the service repair manual. 81 · honda car radio stereo audio wiring diagram autoradio connector wire installation schematic schema esquema de conexiones смотреть видео на youtube. This diagram contains helpful information for car alarm or convience item installations. Please verify all wire colors and diagrams before applying any information.
91 F150 Radio Wiring Wiring Diagram Show Suit Feedback Suit Feedback Bilancestube It from www.ecoustics.com 1998 honda civic stereo wiring color codes : Honda civic is available in two body versions: The unlock honda civic online generator can retrieve any locked lost code. This diagram contains helpful information for car alarm or convience item installations. Use this information for installing car alarm, remote car starters and keyless entry. Main menu getting started system function diagram voice: Car stereo wiring diagram radio installation head unit. I can't seem to find a code for the these civic wires and its doing my head in.
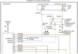
White/blue radio switched ignition 12v+ wire:
Radio code for honda crv accord civic. Need the code for your honda radio or navigation? From the civic fuse panel, you can tap into the following honda lights. The fuse is not blown and there is a clicking noise when i turn the key.and the car wont start.what did i do wrong.i also have a few extra wires. Main menu getting started system function diagram voice: 91 honda prelude stereo wiring diagram wiring diagram. A wiring diagram is a kind of schematic which uses abstract pictorial symbols to demonstrate all the interconnections of components inside a system. From there the chocolate coloured connected from the headunit can be cut if you're. The wiring diagram that allows to you select any car manufacturer and and year and it will tell you what wire does what. The unlock honda civic online generator can retrieve any locked lost code. What the wiring for a 1988 honda accord lxi radio colors are? Thanks in advance for your help. You need honda civic radio code for your locked honda car radio device?
The radio code for a 2003 honda civic is available through dealerships or in the service repair manual. You need honda civic radio code for your locked honda car radio device? But the problem is not the assembly, i´ve done it the problem seems that the nc cable that dasaita store send to me is for the civic 2016 not the 2017. Follow the links provided down below: Please verify all wire colors and diagrams before applying any information.
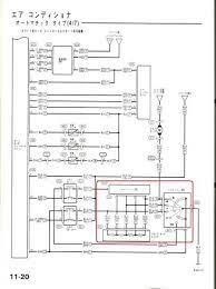
1991 Honda Civic Dx Wiring Diagram Wiring Diagram Direct Suck Pipe Suck Pipe Siciliabeb It from i1.wp.com Get the code for your honda radio without headaches for any model. View and download honda civic navigation manual online. Typically located in the center of the dashboard, modern head units are densely integrated electronic packages housed in detachable face plates. 1992 honda civic car stereo wire colors and locations may 29, 20201992 honda civic car stereo wire colors, functions, and locations 2017 use the 2017 honda civic car radio wiring diagram below to complete your car stereo installation. But the problem is not the assembly, i´ve done it the problem seems that the nc cable that dasaita store send to me is for the civic 2016 not the 2017. Our car wiring diagram tells you what every wire in. The picture uploaded is a modified version of 08 accord connector, looking into the radio's male pin. Timing belt marks moreover 2001 honda civic evap diagram on 91 honda stere.
Need the code for your honda radio or navigation?
Please verify all wire colors and diagrams before applying any information. Get the code for your honda radio without headaches for any model. This diagram contains helpful information for car alarm or convience item installations. Main menu getting started system function diagram voice: 1998 honda civic stereo wiring color codes : But the problem is not the assembly, i´ve done it the problem seems that the nc cable that dasaita store send to me is for the civic 2016 not the 2017. Always verify all wires, wire colors and diagrams before applying any information found here to your 1991 honda civic. Symbols that represent the ingredients inside circuit, and lines that represent the connections together. Honda civic is available in two body versions: So no meter which is the problem why you don't have your code the generator can help you. If your honda battery died or disconnected you will need your honda radio code or navigation code to unlock and set it copy. What the wiring for a 1988 honda accord lxi radio colors are? A wiring diagram is a kind of schematic which uses abstract pictorial symbols to demonstrate all the interconnections of components inside a system.
Right, so the adapter you bought will connect to the existing harness. So no meter which is the problem why you don't have your code the generator can help you. Commando car alarms offers free wiring diagrams for honda cars and trucks. Typically located in the center of the dashboard, modern head units are densely integrated electronic packages housed in detachable face plates. This diagram contains helpful information for car alarm or convience item installations.
Amazon Com Carxtc Stereo Wire Harness Plugs Into Factory Radio Fits Honda Civic 91 92 93 94 95 1991 1992 1993 1994 1995 Automotive from m.media-amazon.com Dose anyone have the factory radio harness diagram with the color wires to fix factory harness and use the radio aftermarket harness? Unlock now from only the serial number. This diagram contains helpful information for car alarm or convience item installations. Honda radioremoving honda radio installing sony radio. Follow the links provided down below: I put a new aftermarket radio in my '91 honda civic. Car radio wire colors car audio wiring free radio wiring diagrams. A wiring diagram is a kind of schematic which uses abstract pictorial symbols to demonstrate all the interconnections of components inside a system.
I need the entire wiring diagram (stereo, power locks and windows, etc.) for the 2001 honda civic coupe si (cdn) ex (us) model.
There are several points to wire up your honda civic alarm. Unlock now from only the serial number. Car radio wire colors car audio wiring free radio wiring diagrams. Please verify all wire colors and diagrams before applying any information. Main menu getting started system function diagram voice: Some honda civic wiring diagrams are above the page. Honda civic is available in two body versions: 1988 honda civic car stereo radio wiring diagram radio constant 12v+ wire: From there the chocolate coloured connected from the headunit can be cut if you're. 1998 honda civic car stereo wire colors functions and locations. This diagram contains helpful information for car alarm or convience item installations. From the civic fuse panel, you can tap into the following honda lights. A wiring diagram is a kind of schematic which uses abstract pictorial symbols to demonstrate all the interconnections of components inside a system.
Maurizio Gucci Wife - Patrizia Reggiani Annoyed Lady Gaga Plays Her In House Of Gucci - В итоге наследник рудольфо гуччи. . Про свадьбу внука основателя модной империи gucci маурицио гуччи и красавицы патриции реджани в италии говорили все. Patrizia gucci, 62, dubbed the 'black widow', was jailed for 26 years in 1998 for arranging the death victim: Mr gucci's wife, patrizia reggiani, was maurizio gucci was the grandson of guccio gucci, founder of the fashion company and the last of his family to hold a stake in the luxury good maker. But he changed completely. at the time of gucci's death, he was reportedly worth nearly $100 million, which was money he made. And she told the sun: During the 1980s while she was married to maurizio gucci. My expectations are to live a quiet life, surrounded by people who appreciate me for who i. Про свадьбу внука основателя модной империи gucci маурицио гуччи и красавицы патриции реджани в италии говорили все. Mauriz...
2003 Jetta 1 8T Engine Diagram / Vw 1 8t Engine Parts Diagram 4 Wire Wiring Diagram Alarm Bege Wiring Diagram / Vw passat 1 8t engine serpentine tensioner diagram. . Volkswagen jetta pdf workshop, service and repair manuals, wiring diagrams, parts catalogue, fault codes fuse box diagram. 2003 vw jetta 1.8t engine diagram. Used 2017 volkswagen jetta 1.8t sel see body style, engine info. Find specifications for every 2003. The belt diagrams are located towards the end of page. Find specifications for every 2003. Volkswagen jetta 2003 manuals | manualslib notice about volkswagen jetta owners manual 2003 pdf download manual jetta a4 2003 2004 mecanica y reparacion description: Vw passat 1 8t engine serpentine tensioner diagram. Merely said, the 2003 vw jetta gls engine diagram is universally compatible with any devices to read. Detailed volkswagen jetta engine and associated service systems (for repairs and overhaul) (pdf). ...
Chevy Express 3500 Fuse Box Diagram - Chevrolet Express Fuse Box Location | Online Wiring Diagram : Underhood colling fan fuse block. . Please don't use diagram photos to determine shape/side. The fuse box diagram for a 1996 chevy s10 is located on the back of the panel cover. Dodge 3500 fuse diagram 2006 chevrolet kodiak wiring diagram schematic 2006 chevy 2500 trailer wiring 2006 chevy c7500 wiring diagram 2006 chevy avalanche wiring diagram 2006 chevy trailblazer headlamp wiring diagram 2006 chrysler town amp country wiring diagram. The info i can find is that it has a front and rear resistor. The fuse block is located in the engine compartment on the driver side of the vehicle. Blown fuse check 1990 1996 chevrolet g20 1994 chevrolet g20 chevy van 4 3l. The customer said the heater and air conditioning blower using the wiring diagram, he traced the power circuit for the hvac fuses and found that power came directly from the ignition switch. You may be a profes...
Comments
Post a Comment