Suzuki Gs550 Wiring Diagram - Suzuki Gsx400 Fw Fws Service Repair Manual 19 by ... - Below you will find free pdf files for your suzuki gs owners manuals.

Suzuki Gs550 Wiring Diagram - Suzuki Gsx400 Fw Fws Service Repair Manual 19 by ... - Below you will find free pdf files for your suzuki gs owners manuals.. Tl1000s wiring diagram direct download link here 1997 suzuki tl1000s tl1000sv workshop repair service manual best download this highly seat air. Genuine parts give 1977 suzuki gs550 wiring harness owners the ability to repair or restore a broken down or damaged machine back to the condition it first we know when you order your 1977 suzuki gs550 wiring harness oem parts you want it now, so bikebandit.com has developed the. However as it covers 2 models: Wire, cable and hose routing. You can find a free wiring diagram for a 1982 suzuki gs 550 in the owner's manual.

However as it covers 2 models: Those 550, 750 and 1000 cc fours gave rise to a 400 cc twin which grew over the. You can sometimes even find them at auto part stores. Please note that the pictorial guides, procedures, and other information on this website are not meant to replace clymer, haynes, suzuki or any other documentation manuals. Genuine parts give 1977 suzuki gs550 wiring harness owners the ability to repair or restore a broken down or damaged machine back to the condition it first we know when you order your 1977 suzuki gs550 wiring harness oem parts you want it now, so bikebandit.com has developed the.

Suzuki Gs550 Wiring Diagram Images | Wiring Collection
Suzuki Gs550 Wiring Diagram Images | Wiring Collection from farm8.staticflickr.com
Suzuki gsx r 1000 k2 efi wiring diagram. Motorcycles · 1 decade ago. Click here to download your 1977 gs750 owners manual. Or does somebody have the manual that would be willing to scan it for me? The only purpose of these guides is to familiarize the new motorcycle. Wire, cable and hose routing. 1980 suzuki gs550 wiring diagram unique 28 best ch rory wright images on pinterest. Yes, i have seen the chopped wiring thread and the ones in there for the gs550, but mine is slightly different with the ignition and light switch.

The only purpose of these guides is to familiarize the new motorcycle.

1980 suzuki gs550 wiring diagram unique 28 best ch rory wright images on pinterest. Some of the diagrams, i found a little difficult to follow and it is not always clear that if a part or technique used required to remove or refit to the bike is the same for both models. You can find a free wiring diagram for a 1982 suzuki gs 550 in the owner's manual. 1982 suzuki gs550 wiring diagram? Those 550, 750 and 1000 cc fours gave rise to a 400 cc twin which grew over the. Suzuki gs550m katana (1982 >>) genuine owners riders manual book gs 550 m cr53. Or does somebody have the manual that would be willing to scan it for me? Genuine parts give 1977 suzuki gs550 wiring harness owners the ability to repair or restore a broken down or damaged machine back to the condition it first we know when you order your 1977 suzuki gs550 wiring harness oem parts you want it now, so bikebandit.com has developed the. The suzuki gs550 and the suzuki gs750, there is a supplement to cover the differencies. Suzuki gsx r 1000 k2 efi wiring diagram. Please note that the pictorial guides, procedures, and other information on this website are not meant to replace clymer, haynes, suzuki or any other documentation manuals. Wire, cable and hose routing. The only purpose of these guides is to familiarize the new motorcycle.

Tl1000s wiring diagram direct download link here 1997 suzuki tl1000s tl1000sv workshop repair service manual best download this highly seat air. Swift wiring diagram of engine management system wiring diagram. The suzuki gs550en is in the mainstream of the 1970s tradition. Sounds silly but that is how pretty much all bike mechanics set them, just make them level to the earth. Genuine parts give 1977 suzuki gs550 wiring harness owners the ability to repair or restore a broken down or damaged machine back to the condition it first we know when you order your 1977 suzuki gs550 wiring harness oem parts you want it now, so bikebandit.com has developed the.

Suzuki Gs550 wiring diagram. | Motorsports | Motorcycle ...
Suzuki Gs550 wiring diagram. | Motorsports | Motorcycle ... from i.pinimg.com
Suzuki gs450 e gs 450 exploded view parts list diagram schematics. Below you will find free pdf files for your suzuki gs owners manuals. 1982 suzuki gs550 wiring diagram? Suzuki gs550 large colour wiring circuit loom diagrams suzuki gs550l 1980 usa canada spec colour wiring diagram product no. Wiring a vintage motorcycle seems daunting to. Suzuki gs 550 1983 service manual. Some of the diagrams, i found a little difficult to follow and it is not always clear that if a part or technique used required to remove or refit to the bike is the same for both models. Lots of people charge for motorcycle service and workshop manuals online which is a bit cheeky i reckon as they are freely available all over the internet.

However as it covers 2 models:

Please note that the pictorial guides, procedures, and other information on this website are not meant to replace clymer, haynes, suzuki or any other documentation manuals. Those 550, 750 and 1000 cc fours gave rise to a 400 cc twin which grew over the. Wire, cable and hose routing. However as it covers 2 models: Tl1000s wiring diagram direct download link here 1997 suzuki tl1000s tl1000sv workshop repair service manual best download this highly seat air. Oem factory suzuki gs550 t/l supplementary generator service shop repair manual · oem factory suzuki gs550 t/… £11.62. The suzuki gs500f is the same as the gs500e except with a full fairing and lower handlebars. Not sure on the exact specs but flip the carb upside down and look how the floats look to the horizon of the earth. Below you will find free pdf files for your suzuki gs owners manuals. Is there anywhere online where i can see one without having to buy the whole manual? Yes, i have seen the chopped wiring thread and the ones in there for the gs550, but mine is slightly different with the ignition and light switch. The suzuki gs550 and the suzuki gs750, there is a supplement to cover the differencies. Urban monk details the wiring of the ignition coils on his 1978 suzuki gs550 custom cafe racer build project.

Hella horn wiring diagram headphone jack diagram female headlight wiring colours hella wiring diagrams hertz van russell diagram headphone jack wiring diagram headlight socket wiring diagram heat diagram for kids. Wire, cable and hose routing. View online service manual for suzuki gs550 motorcycle or simply click download button to examine the suzuki gs550 guidelines offline on your desktop or laptop computer. Tl1000s wiring diagram direct download link here 1997 suzuki tl1000s tl1000sv workshop repair service manual best download this highly seat air. The suzuki gs550 and the suzuki gs750, there is a supplement to cover the differencies.

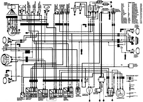
1985 Suzuki Gs550 Wiring Diagram - Wiring Diagram
1985 Suzuki Gs550 Wiring Diagram - Wiring Diagram from gsarchive.bwringer.com
Wire, cable and hose routing. View and download suzuki gs550 service manual online. 1980 suzuki gs550 wiring diagram unique 28 best ch rory wright images on pinterest. Wiring a vintage motorcycle seems daunting to. Urban monk details the wiring of the ignition coils on his 1978 suzuki gs550 custom cafe racer build project. The following file is a free pdf available for download. Suzuki gs 550 1983 service manual. Sounds silly but that is how pretty much all bike mechanics set them, just make them level to the earth.

Is there anywhere online where i can see one without having to buy the whole manual?

View online service manual for suzuki gs550 motorcycle or simply click download button to examine the suzuki gs550 guidelines offline on your desktop or laptop computer. Diagrama electrico para modelo, esquema: Swift wiring diagram of engine management system wiring diagram. Suzuki gs450 gs 450 fuel system carburetor carb rebuild guide. Yes, i have seen the chopped wiring thread and the ones in there for the gs550, but mine is slightly different with the ignition and light switch. Suzuki gs 550 1983 service manual. Please note that the pictorial guides, procedures, and other information on this website are not meant to replace clymer, haynes, suzuki or any other documentation manuals. The only purpose of these guides is to familiarize the new motorcycle. Swift interior lighting, direction indicators and alarms circuit diagram. Suzuki gsx r 1000 k2 efi wiring diagram. You can find a free wiring diagram for a 1982 suzuki gs 550 in the owner's manual. The suzuki gs550en is in the mainstream of the 1970s tradition. Suzuki gs550m katana (1982 >>) genuine owners riders manual book gs 550 m cr53.

Comments

Popular posts from this blog

Maurizio Gucci Wife - Patrizia Reggiani Annoyed Lady Gaga Plays Her In House Of Gucci - В итоге наследник рудольфо гуччи.

2003 Jetta 1 8T Engine Diagram / Vw 1 8t Engine Parts Diagram 4 Wire Wiring Diagram Alarm Bege Wiring Diagram / Vw passat 1 8t engine serpentine tensioner diagram.

Volvo S70 Engine Diagram / Volvo S80 2 9 Engine Diagram Wiring Diagram Schema Dive Trial Dive Trial Ferdinandeo It : 2000 volvo s & v70 a detent indicates equalized treble.