2000 Dodge Durango Stereo Wiring Diagram - Pin On Dodge Wiring / Signs that represent the elements in the circuit, and also lines that stand for.
Get link
Facebook
X
Pinterest
Email
Other Apps
2000 Dodge Durango Stereo Wiring Diagram - Pin On Dodge Wiring / Signs that represent the elements in the circuit, and also lines that stand for.. October 27, 2018 by larry a. 1999 dodge dakota 2dr pickup wiring information 2000 dodge durango stereo wiring: To replace a malfunctioning stock stereo or upgrade the factory radio, choose a stereo that is compatible with the. Dodge durango 2004 stereo wiring connector c2
If not, the arrangement won't work as it ought to be. There are 2000 dodge durango ignition wiring diagram at least the subsequent forms of wiring diagram: Here is a picture gallery about 2000 dodge durango wiring diagram complete with the description of the image, please find the image you need. 2000 dodge caravan minivan wiring information: Dodge durango radio wiring diagram radio wiring diagram 2000 dodge listed below is the vehicle specific wiring diagram for your car alarm remote starter or keyless entry installation into your 2000 dodge durangothis information outlines the wires location color and polarity to help you identify the proper connection spots in the vehicle.
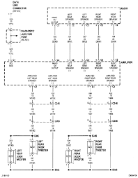
1998 Dodge Durango Wiring Diagram Full Hd Version Wiring Diagram Torodiagram Cabinet Accordance Fr from ww2.justanswer.com You can save this image file to your individual device. A wiring diagram is a streamlined conventional photographic depiction of an electrical circuit. April 14, 2018 by headcontrolsystem variety of 2000 dodge durango stereo wiring diagram. Dodge durango radio wiring diagram radio wiring diagram 2000 dodge listed below is the vehicle specific wiring diagram for your car alarm remote starter or keyless entry installation into your 2000 dodge durangothis information outlines the wires location color and polarity to help you identify the proper connection spots in the vehicle. A wiring diagram is a kind of schematic which uses abstract pictorial symbols to show every one of the interconnections of components in the system. If you right click a line, you can transform the line's color or density and include or eliminate arrowheads as essential. All wheel antilock brakes (4 pages) A radio/tape/cd unit located in the middle of the dashboard;
Brown/red right front speaker positive wire (+):
One 6.5 / 16.5 cm bass/medium speaker into each door, plus one tweeter into each front door only. April 14, 2018 by headcontrolsystem variety of 2000 dodge durango stereo wiring diagram. You'll need to use a line converter on the speaker outputs for the sub. To replace a malfunctioning stock stereo or upgrade the factory radio, choose a stereo that is compatible with the. 1500 dodge ram 2000 2dr pickup wiring information: Please right click on the image and save the illustration. You'll be able to often rely on wiring diagram being an essential reference that will assist you to save money and time. Wellborn collection of 2000 dodge durango stereo wiring diagram. Whether your an expert dodge durango mobile electronics installer, dodge durango fanatic, or a novice dodge durango enthusiast with a 2000 dodge durango, a car stereo wiring diagram can save yourself a lot of time. W05.dealerconnect.chrysler.com, and to view image details please click the image. A wiring diagram is a kind of schematic which uses abstract pictorial symbols to show every one of the interconnections of components in the system. 2000 dodge van van wiring information: Circuitry layouts are made up of two points:
W05.dealerconnect.chrysler.com, and to view image details please click the image. Dodge durango 2004 stereo wiring connector c2 Wellborn collection of 2000 dodge durango stereo wiring diagram. Below is the wiring diagram for the premium radio (also with optional external cd changer) if you have it on a 2000 dodge dakota/durango. Dodge car stereo wiring harness.
2000 Dodge Durango Map Wiring Diagram Wiring Diagram Transmission Tomberlins Bmw1992 Warmi Fr from mopar1973man.com May want to think about doing this all at once, at least save up and do the install all at the same time. 2000 dodge van van wiring information: You'll be able to often rely on wiring diagram being an essential reference that will assist you to save money and time. 1999 dodge durango 4dr suv wiring information: Each part should be set and linked to other parts in particular manner. You'll need to use a line converter on the speaker outputs for the sub. A wiring diagram is a kind of schematic which utilizes abstract photographic symbols to show all the interconnections of elements in a system. A radio/tape/cd unit located in the middle of the dashboard;
2000 dodge durango 4dr suv wiring information:
Radio battery constant 12v+ wire: You can save this image file to your individual device. You'll be able to often rely on wiring diagram being an essential reference that will assist you to save money and time. Here is a picture gallery about 2000 dodge durango wiring diagram complete with the description of the image, please find the image you need. You'll need to use a line converter on the speaker outputs for the sub. 99 dodge durango stereo wiring diagram 1998 dodge durango radio in 2000 dodge durango wiring diagram, image size 640 x 838 px, image source : Dodge durango 2004 stereo wiring connector c2 Brown/red right front speaker positive wire (+): A radio/tape/cd unit located in the middle of the dashboard; Anyway, factory amp or no amp, i was overwhelmed by how darn many different stereo wiring diagrams i've been finding online for just this one same vehicle, a 2000 dodge durango. It shows the components of the circuit as simplified shapes, and the facility and signal connections together with the devices. I need the wiring diagram for a 2000 dodge durango with the infinity stereo and seperate infinity amp located behind the kick panel passenger side. Black and black/light green radio illumination wire:
Orange left front speaker positive wire (+): There are 2000 dodge durango ignition wiring diagram at least the subsequent forms of wiring diagram: View and download dodge 2000 durango service manual online. Dodge durango 2004 stereo wiring connector c2 It shows the components of the circuit as simplified shapes, and the faculty and signal contacts between the devices.
Diagram Stereo Wiring Diagram For 2000 Dodge Durango Full Version Hd Quality Dodge Durango Panningdiagram Magnetikitalia It from panningdiagram.magnetikitalia.it There are 2000 dodge durango ignition wiring diagram at least the subsequent forms of wiring diagram: You'll be able to often rely on wiring diagram being an essential reference that will assist you to save money and time. W05.dealerconnect.chrysler.com, and to view image details please click the image. View and download dodge 2000 durango service manual online. A radio/tape/cd unit located in the middle of the dashboard; If you right click a line, you can transform the line's color or density and include or eliminate arrowheads as essential. A wiring diagram is a kind of schematic which uses abstract pictorial symbols to show every one of the interconnections of components in the system. A wiring diagram is a simplified conventional photographic depiction of an electrical circuit.
Here is a picture gallery about 2000 dodge durango wiring diagram complete with the description of the image, please find the image you need.
It reveals the parts of the circuit as streamlined forms, and also the power and also signal links in between the gadgets. 1999 dodge durango 4dr suv wiring information: May want to think about doing this all at once, at least save up and do the install all at the same time. Below is the wiring diagram for the premium radio (also with optional external cd changer) if you have it on a 2000 dodge dakota/durango. With all the help of the book, you can effortlessly do your personal wiring assignments. This is the 2000 dodge durango wiring diagram | ansis of a pic i get via the pioneer radio harness diagram on 01 dodge durango package. To attract a cord, simply click on the draw lines choice on the left hand side of the drawing area. 2000 dodge durango stereo wiring: 1999 dodge dakota 2dr pickup wiring information Dodge durango 2004 stereo wiring connector c2 Our people also have some more figures related to pioneer radio harness diagram on 01 dodge durango, please see the photo gallery below, click. The 2000 dodge durango is equipped with a stock chrysler sound system, composed of: Brown/red right front speaker positive wire (+):
Maurizio Gucci Wife - Patrizia Reggiani Annoyed Lady Gaga Plays Her In House Of Gucci - В итоге наследник рудольфо гуччи. . Про свадьбу внука основателя модной империи gucci маурицио гуччи и красавицы патриции реджани в италии говорили все. Patrizia gucci, 62, dubbed the 'black widow', was jailed for 26 years in 1998 for arranging the death victim: Mr gucci's wife, patrizia reggiani, was maurizio gucci was the grandson of guccio gucci, founder of the fashion company and the last of his family to hold a stake in the luxury good maker. But he changed completely. at the time of gucci's death, he was reportedly worth nearly $100 million, which was money he made. And she told the sun: During the 1980s while she was married to maurizio gucci. My expectations are to live a quiet life, surrounded by people who appreciate me for who i. Про свадьбу внука основателя модной империи gucci маурицио гуччи и красавицы патриции реджани в италии говорили все. Mauriz...
2003 Jetta 1 8T Engine Diagram / Vw 1 8t Engine Parts Diagram 4 Wire Wiring Diagram Alarm Bege Wiring Diagram / Vw passat 1 8t engine serpentine tensioner diagram. . Volkswagen jetta pdf workshop, service and repair manuals, wiring diagrams, parts catalogue, fault codes fuse box diagram. 2003 vw jetta 1.8t engine diagram. Used 2017 volkswagen jetta 1.8t sel see body style, engine info. Find specifications for every 2003. The belt diagrams are located towards the end of page. Find specifications for every 2003. Volkswagen jetta 2003 manuals | manualslib notice about volkswagen jetta owners manual 2003 pdf download manual jetta a4 2003 2004 mecanica y reparacion description: Vw passat 1 8t engine serpentine tensioner diagram. Merely said, the 2003 vw jetta gls engine diagram is universally compatible with any devices to read. Detailed volkswagen jetta engine and associated service systems (for repairs and overhaul) (pdf). ...
Chevy Express 3500 Fuse Box Diagram - Chevrolet Express Fuse Box Location | Online Wiring Diagram : Underhood colling fan fuse block. . Please don't use diagram photos to determine shape/side. The fuse box diagram for a 1996 chevy s10 is located on the back of the panel cover. Dodge 3500 fuse diagram 2006 chevrolet kodiak wiring diagram schematic 2006 chevy 2500 trailer wiring 2006 chevy c7500 wiring diagram 2006 chevy avalanche wiring diagram 2006 chevy trailblazer headlamp wiring diagram 2006 chrysler town amp country wiring diagram. The info i can find is that it has a front and rear resistor. The fuse block is located in the engine compartment on the driver side of the vehicle. Blown fuse check 1990 1996 chevrolet g20 1994 chevrolet g20 chevy van 4 3l. The customer said the heater and air conditioning blower using the wiring diagram, he traced the power circuit for the hvac fuses and found that power came directly from the ignition switch. You may be a profes...
Comments
Post a Comment